【会员新闻】震撼发布!富加镓业发布(011)面氧化镓衬底新品
日期:2025-10-16阅读:542
富加镓业今日正式推出新型(011)晶面氧化镓衬底产品,涵盖小片及2英寸标准规格,并全面开放 4 英寸衬底与2-4英寸外延片定制服务,丰富了公司氧化镓衬底及外延产品体系,为高压功率器件等高端应用提供关键材料解决方案,践行“让世界用上好材料”的企业愿景。


产品介绍
设备:
公司研制了国际上首台具备“一键长晶”EFG设备,可以满足2-6英寸晶体生长需求,目前获得国内授权专利6项,国际授权专利4项,可提供设备及配套工艺包。
公司自行研制了全自动VB晶体生长设备,并在国内率先突破了6英寸单晶生长技术瓶颈,实现了大尺寸VB法单晶制备。目前获得国内授权专利6项,国际授权专利4项,可根据客户需求提供VB设备及工艺包。
公司结合氧化镓脆性、容易解理特点,研发了2-6英寸氧化镓单晶衬底研磨抛光设备,并根据客户需要可提供成熟的研磨抛光及清洗工艺包。
单晶及外延片:
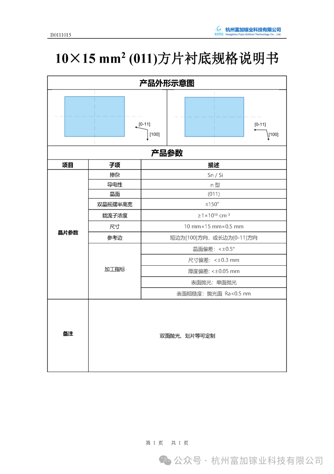
公司已经建立企业标准2项,获得ISO9001质量体系认证,向市场提供10mm至6英寸的多种晶向的氧化镓单晶衬底10mm至6英寸的MOCVD氧化镓外延片及10×15mm MBE氧化镓外延片。
关于杭州富加
杭州富加镓业科技有限公司成立于 2019 年 12 月 31 日,公司以“让世界用上好材料”为愿景,开展超宽禁带半导体氧化镓材料的产业化工作,核心产品为氧化镓单晶衬底、MOCVD/MBE外延片、布里奇曼法(VB法)及导模法(EFG法)晶体生长装备、衬底研磨抛光装备等,为材料研制提供系统性解决方案,加速超宽禁带氧化镓产业全链路贯通,推进氧化镓材料在功率器件、微波射频器件及光电探测等领域应用。公司在氧化镓领域发展方面取得的系列重要成果已获CCTV1、CCTV2、《人民日报》、新华网、《中国证券报》、澎湃新闻等知名媒体专题宣传报道。
企业荣誉汇总:
2022年获得浙江省科技型中小企业;2023年获得国家高新技术企业;2024年获得杭州市企业高新技术研发中心及浙江省专精特新中小企业;2025年获得ISO9001质量体系认证(编号:20225Q20294R0M);2024年度杭州市“新雏鹰”企业;在氧化镓领域,承担了国家发改委项目1项,国家工信部项目1项,参与了国家自然科学基金委、浙江省、上海市等国家及省部级项目3项。另外,获得国际专利授权12项(美国6项,日本6项),国内专利授权40项,“富加镓业”商标认证注册3项,软件著作权(“一键长晶”控制软件)4项。

